Elco testing small to use AVO meters. But to distinguish between the elco elco 20.000uF/50V 2200uF/50V size would be very difficult, perhaps this phenomenon that makes creative hands itch to make elco with two label values.
Scheme tool as follows, do not smile once, indeed simple. The cost to make it too cheap, not up to $ 1.
![]() |
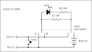
| Elco tester circuit |
The workings of this tool based on the nature of the condenser, the condenser ability to store electrons / voltage. Since each condenser has the characteristic charging time and discharging time is different for each size and type dielektrika. Ideally, the larger size, the greater the time required for charging and discharging (charging and disposal charges).
How to use:
- Make sure the position of the switch (SW1) on the discharging position (position A).
- Connect / elco pairs that will be tested, then empty the contents briefly elco by pressing SW2 (approximately 1 to 3 seconds).
- Position the switch in the charging position (position B), the LED will light with a certain time (depending on the value elco). Hold in position B until the LED is not lit (elco is full).
- When the LED is not lit, immediately moved to the position of discharging position (A), the LED will light with a certain time (depending on the value elco tested). Hold in position A until the LED does not turn on again (fill elco is empty).
- The conclusion is quite simple, the larger the size elco, the longer the charging time and dischargingnya (old LED lights up). To calibrate it, readers can use the benchmark elco 10000uF size that can be justified. Only by logic alone writers think readers have understood.
If it is the process of charging and discharging too quickly, the reader can change the value of R1, the greater the value the longer the charging process and discharging.
Good luck and commanded me, the value of its components should not be deleted, do not be wrapped up neatly, keep the same cast in epoxy / cement.
Good luck and commanded me, the value of its components should not be deleted, do not be wrapped up neatly, keep the same cast in epoxy / cement.


0 comments:
Post a Comment